Grundfos CR10-08 AAAE-HQQE 3x (96501230) – вертикальний, багатоступінчастий відцентровий насос із всмоктуючим та напірним патрубками на одному рівні ("in-line"). Головка і основа насоса виконані з чавуну, всі інші деталі, що змочуються, виконані з нержавіючої сталі. Картриджеве ущільнення валу забезпечує високу надійність, безпеку роботи, а також легкий доступ та обслуговування. Передача електроенергії провадиться за допомогою жорсткої роз'єднаної муфти. Насос оснащений 3-фазним асинхронним двигуном із вентиляторним охолодженням.
Рідина:
- Робоча рідина – вода.
- Діапазон температури рідини: -20…120 °C.
- Температура рідини, що перекачується: 20 °C
- Щільність: 998.2 кг/м³.
Технічні дані:
- Швидкість насоса, за якої розраховані його характеристики – 2902 об/хв.
- Номінальна витрата – 10 м³/год.
- Номінальний тиск – 64,8 м
- Максимальний натиск – 81,7 м
- Робочі камери – 8
- Робочі колеса – 8
- Кількість робочих коліс із зменшеним діаметром – 0
- Низький NPSH – НІ
- Розташування насоса – вертикальне
- Тип ущільнення валу – одинарне
- Первинне ущільнення валу – HQQE
- Маркування ущільнення валу – HQQE
- Сертифікати – CE, EAC, UKCA, SEPRO
- Сертифікати для питної води – WRAS, ACS
- Допуски на робочі характеристики ISO9906:2012 3B
- Виконання насоса – A
- Модель – А
Матеріали:
- Основа – чавун (Cast iron), EN 1561 EN-GJL-200, ASTM A48-25B
- Робоче колесо – нержавіюча сталь EN 1.4301, AISI 304
- Код матеріалу – A
- Код гуми – E
- Внутрішні підшипники – SIC
Монтаж:
- Максимальна температура навколишнього середовища – 60 °C
- Максимальний робочий тиск – 16 бар
- Максимальний тиск при заданій температурі – 16 бар/120 °C
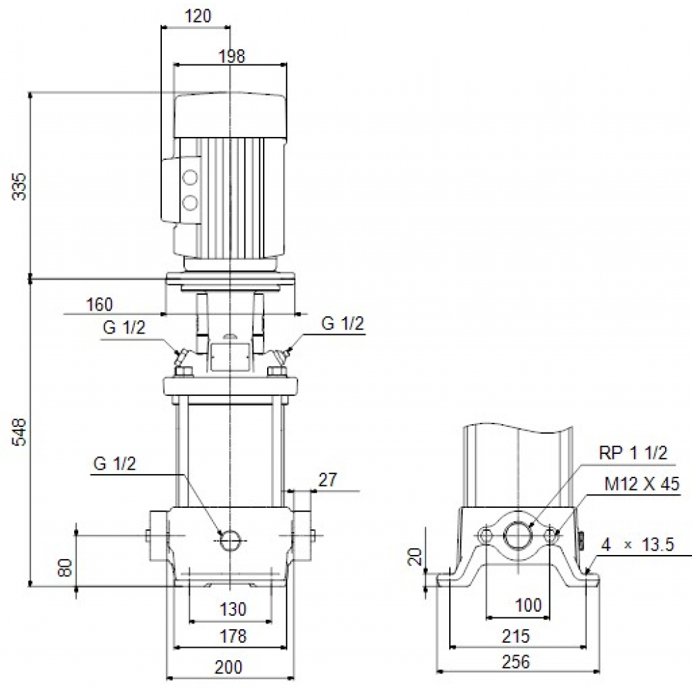
- Тип з'єднання – Oval/Rp
- Розмір всмоктувального патрубка - 1 1/2”
- Розмір напірного патрубка – 1 1/2”
- Номінальний тиск підключення – PN 16
- Розмір фланця електродвигуна – FT130
- Код приєднання – А
Дані електроустаткування:
- Стандарт електродвигуна – IEC
- Тип електродвигуна - 100LC
- Номінальна потужність – P2 – 3 кВт
- Енергія (Р2), необхідна для насосу – 3 кВт
- Частота мережі живлення – 50 Гц
- Номінальна напруга – 3 x 220-240D/380-415Y
- Номінальний струм - 6,3 A
- Пусковий струм - 840-920%
- Cos фі – характеристика потужності: 0.87-0.82
- Номінальна швидкість – 2900-2920 об/хв
- Клас енергоефективності – IE3
- Ефективність електродвигуна при повному навантаженні – 87,1 %
- Ефективність двигуна за 3/4 навантаження – 88.0-87.0 %
- Ефективність електродвигуна за 1/2 навантаження – 87.7-85.4 %
- Кількість полюсів – 2
- Клас захисту (IEC 34-5) – 55 Dust/Jetting
- Клас ізоляції (IEC 85) – F
- Вбудований захист електродвигуна відсутній.
- Номер електродвигуна – 85U15510




