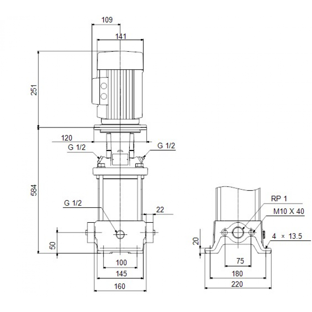
Grundfos CR1-21 AAAE-HQQE 3x230/400 (96516192) – вертикальний багатоступінчастий відцентровий насос із впускним та випускним патрубками на одному рівні (інлайн). Головка і основа насоса виготовлені з чавуну, всі інші деталі, що контактують з середовищем, що перекачується, - з нержавіючої сталі. Картриджне ущільнення валу забезпечує високу надійність, безпечне поводження, а також легкий доступ та обслуговування. Передача потужності здійснюється через тверду роз'ємну муфту. Насос оснащений трифазним асинхронним двигуном з повітряним охолодженням.
Рідина:
- Робоча рідина – вода.
- Діапазон температури рідини: -20...120 °C.
- Температура рідини, що перекачується: 20 °C
- Щільність: 998.2 кг/м³.
Технічні дані:
- Швидкість насоса, при якій розраховані його характеристики – 2853 об/хв.
- Номінальна витрата – 1,8 м³/год.
- Номінальний натиск – 96,6 м
- Максимальний натиск – 129,2 м
- Робочі камери – 21
- Робочі колеса – 21
- Кількість робочих коліс із зменшеним діаметром – 0
- Низький NPSH – НІ
- Розташування насоса – вертикальне
- Тип ущільнення валу – одинарне
- Первинне ущільнення валу – HQQE
- Маркування ущільнення валу – HQQE
- Сертифікати – CE, EAC, UKCA, SEPRO
- Сертифікати для питної води – WRAS, ACS
- Допуски на робочі характеристики ISO9906:2012 3B
- Виконання насоса – A
- Модель – А
Матеріали:
- Основа – чавун (Cast iron), EN 1561 EN-GJL-200, ASTM A48-25B
- Робоче колесо – нержавіюча сталь EN 1.4301, AISI 304
- Код матеріалу – A
- Код гуми – E
- Внутрішні підшипники – SIC
Монтаж:
- Максимальна температура навколишнього середовища – 60 °C
- Максимальний робочий тиск – 16 бар
- Максимальний тиск при заданій температурі – 16 бар/120 °C
- Тип з'єднання – Овал / Rp
- Розмір всмоктуючого патрубка - 1 "дюйм"
- Розмір напірного патрубка – 1”дюйм
- Номінальний тиск підключення – PN 16
- Фланцевий впускний отвір - 300 lb
- Розмір фланця електродвигуна – FT100
- Код приєднання – А
Дані електроустаткування:
- Стандарт електродвигуна – ПЕК
- Тип електродвигуна - 80C
- Номінальна потужність – P2 – 1.1 кВт
- Енергія (Р2), потрібна для насоса – 1.1 кВт
- Частота мережі живлення – 50 Гц
- Номінальна напруга – 3 x 220-240D/380-415Y
- Номінальний струм – 4.35/2.50 A
- Пусковий струм - 450-500%
- Cos фі – характеристика потужності: 0.83-0.76
- Номінальна швидкість – 2840-2870 об/хв
- Клас енергоефективності – IE3
- Ефективність електродвигуна за повного навантаження – 82.7 %
- Ефективність двигуна за 3/4 навантаження – 84.6-84.0 %
- Ефективність електродвигуна за 1/2 навантаження – 85.4-82.8 %
- Кількість полюсів – 2
- Клас захисту (IEC 34-5) – 55 Dust/Jetting
- Клас ізоляції (IEC 85) – F
- Вбудований захист електродвигуна відсутній.
- Номер електродвигуна – 85905176




