CM 3-6 A-R-A-E-AQQE C-A-A-N
Насос CM являє собою компактний горизонтальний багатоступінчастий відцентровий насос з: 1-фазним, 220-240 V В, 50 Гц, двигуном, що монтується на лапах. Насос з осьовим всмоктувальним патрубком і радіальним випускним патрубком, зокрема торцевим ущільненням вала особливої конструкції у виконанні AQQE. Вал, робочі колеса, камери і пробки заливних отворів зроблені з нержавіючої сталі. Всмоктувальний і напірний патрубки виготовлені з чавуна.
Насос CM може працювати як CME, якщо до електродвигуна підключити перетворювач частоти CUE.
Рідина:
- Робоча рідина – вода
- Діапазон температури рідини: -20 .. 90 °C
- Температура рідини, що перекачується: 20 °C
- Щільність – 998.2 кг/м³
Технічні дані:
- Швидкість насоса, при якій розраховані його характеристики – 2900 об/хв.
- Номінальна витрата – 3.1 м³/год.
- Номінальний натиск - 41,81 м
- Робочі колеса – 6
Матеріали:
- Корпус насоса – чавун EN-GJL-200, ASTM A48-25A
- Робоче колесо – нержавіюча сталь EN 1.4301, AISI 304
Монтаж:
- Діапазон температури навколишнього середовища: -20 .. 55 °C
- Максимальний робочий тиск – 10 бар
- Максимальний тиск при заданій температурі – 10 бар/90 °C
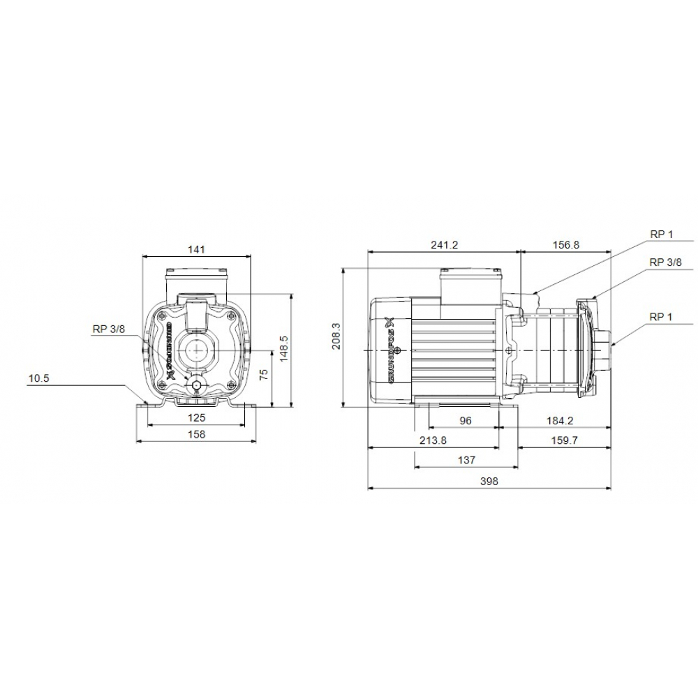
- Тип з'єднання – Rp
- Розмір всмоктуючого патрубка – 1″
- Розмір напірного патрубка - 1 "
- Положення напірного патрубка – 12
- Код приєднання – R
Дані електроустаткування:
- Стандарт електродвигуна – IEC
- Типорозмір - 80А
- Номінальна потужність – P2 – 0.67 кВт
- Частота мережі живлення – 50 Гц
- Номінальна напруга – 1 x 220-240 В
- Номінальний струм – 4.4-4.0 A A
- Пусковий струм - 390%
- Номінальна швидкість - 2720-2800 об/хв
- Клас захисту (IEC 34-5) – IP55
- Клас ізоляції (IEC 85) – F
- Стандарт. Ex-захист – PTO




