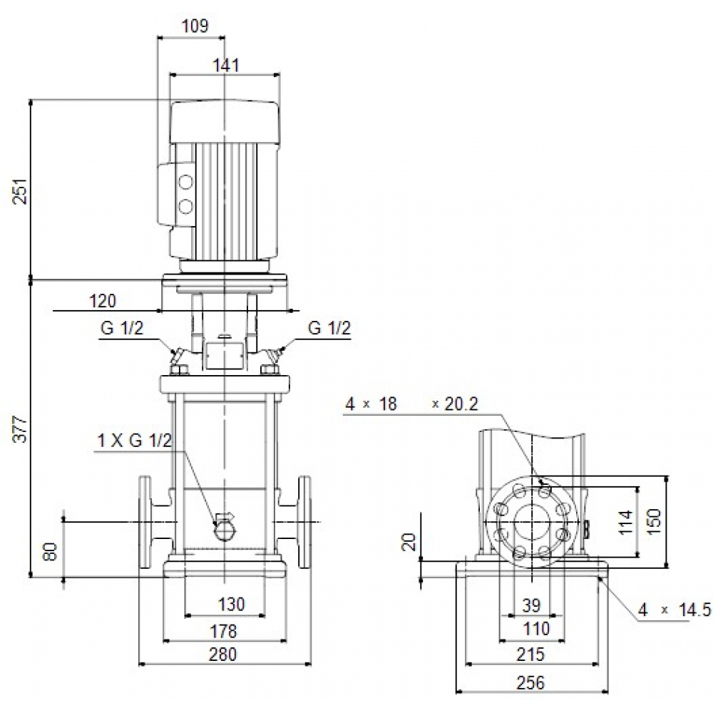
Grundfos CR10-03 A-FJ-AE-HQQE 3 (96500965) – вертикальный, многоступенчатый центробежный насос со всасывающим и напорным патрубками на одном уровне ("in-line"). Картриджевое уплотнение вала обеспечивает высокую надежность, безопасность в работе, а также легкий доступ и обслуживание. Передача электроэнергии осуществляется с помощью жесткой разъединенной муфты.
Жидкость:
- Рабочая жидкость – вода.
- Диапазон температур жидкости: -20...120 °C.
- Температура перекачиваемой жидкости: 20 °C
- Плотность: 998.2 кг/м³.
Технические данные:
- Скорость насоса, при которой рассчитаны его характеристики – 2853 об/мин
- Номинальный расход – 10 м³/час.
- Номинальный напор – 23.1 м
- Максимальный напор – 30.3 м
- Рабочие камеры – 3
- Рабочие колеса – 3
- Количество рабочих колес с уменьшенным диаметром – 0
- Низкий NPSH – НЕТ
- Расположение насоса – вертикальное
- Тип уплотнения вала – одинарное
- Первичное уплотнение вала – HQQE
- Маркировка уплотнения вала – HQQE
- Сертификаты – CE, EAC, UKCA, SEPRO
- Сертификаты для питьевой воды – WRAS, ACS
- Допуски на рабочие характеристики – ISO9906:2012 3B
- Выполнение насоса – A
- Модель – А
Материалы:
- Основание – чугун (Cast iron), EN 1561 EN-GJL-200, ASTM A48-25B
- Рабочее колесо – нержавеющая сталь EN 1.4301, AISI 304
- Код материала – A
- Код резины – E
- Внутренние подшипники – SIC
Монтаж:
- Максимальная температура окружающей среды – 60 °C
- Максимальное рабочее давление – 16 бар
- Максимальное давление при заданной температуре – 16 бар / 120 °C
- Тип соединения – DIN/JIS
- Размер всасывающего патрубка – DN 40, 1 1/2 ″
- Размер напорного патрубка – DN 40
- Номинальное давление подключения – PN 25
- Фланцевое впускное отверстие – 300 lb
- Размер фланца электродвигателя – FT100
- Код присоединения – FJ
Данные электрооборудования:
- Стандарт электродвигателя – IEC
- Тип электродвигателя – 80C
- Номинальная мощность – P2 – 1.1 кВт
- Энергия (Р2), необходимая для насоса – 1.1 кВт
- Частота питающей сети – 50 Гц
- Номинальное напряжение – 3 x 220-240D/380-415Y В
- Номинальный ток – 4.35/2.50 A
- Пусковой ток – 450-500%
- Cos фи – характеристика мощности: 0.83-0.76
- Номинальная скорость – 2840-2870 об/мин
- Класс энергоэффективности – IE3
- Эффективность электродвигателя при полной нагрузке – 82.7 %
- Эффективность двигателя при 3/4 нагрузки – 84.6-84.0 %
- Эффективность электродвигателя при 1/2 нагрузки – 85.4-82.8 %
- Количество полюсов – 2
- Класс защиты (IEC 34-5) – 55 Dust/Jetting
- Класс изоляции (IEC 85) – F
- Встроенная защита электродвигателя – отсутствует.
- Номер электродвигателя – 85U05105



