Maico WS 170 KRET - Краткая информация
Прибор централизованной вентиляции с очень эффективной рекуперацией тепла через энтальпийный перекрестный противоточный теплообменник, двигатели EC с регулированием для поддержания постоянного объемного расхода, линии приточного и вытяжного воздуха справа, 4 x DN 125, вкл. нагреватель для защиты от замораживания и пульт управления RLS 1 WR, мобильное управление с помощью приложения, разрешение DIBT – Немецкого института строительной техники, 40–160 м³/ч, 23–46 м³/ч в интервальном режиме, возможно подключение к KNX, для присоединения спирально-навивных труб (заказываются в качестве принадлежностей) необходимо 4 вставных соединителя SVR 125 или отвод 90° В90–125
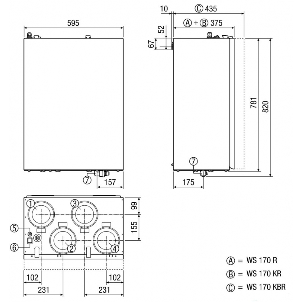
WS 170 KRET - Описание изделия
Исполнение «Комфорт»
- Исполнение «Комфорт» с калорифером предварительного нагрева, звукоизолированным корпусом с дополнительной изоляцией и энтальпийным теплообменником.
- Прибор в правом исполнении.
- Фильтр ISO Coarse 80 % (G4) в вытяжном воздухе и фильтр пыльцы ISO ePM1 55 % (F7) в наружном воздухе.
Краткое описание
- Централизованный, компактный, очень тихий бытовой вентиляционный прибор с рекуперацией тепла.
- Для контролируемой приточной и вытяжной вентиляции.
- Высокоэффективный вентиляционный прибор достигает класса энергоэффективности А.
- Идеально подходит для новостроек или отреставрированных объектов (например, квартир).
- Узкий вентиляционный прибор (ширина: 59,5 см) также идеально подходит для монтажа на кухне.
- Доступно кредитование KfW и земли Северный Рейн-Вестфалия.
- В объем поставки включен стенной держатель, что обеспечивает удобный и очень быстрый монтаж.
- Использование каскада фильтров (ISO Coarse 80 % (G4) / ISO ePM1 55 % (F7)) в наружном воздухе может увеличить срок службы фильтра.
- Все вентиляционные приборы оснащены современными перекрестными противоточными или энтальпийными теплообменниками с санитарно-эпидемиологическим заключением согласно VDI 6022, лист 1.
- Полное разделение вытяжного/приточного воздуха во всем устройстве. предотвращает нежелательную рециркуляцию воздуха, и, таким образом, передачу вирусов (например, коронавируса) и бактерий.
- Вентиляционный контроллер RLS 1 WR входит в объем поставки.
- Бытовой вентиляционный прибор можно контролировать в ПРИЛОЖЕНИИ (air@home) и браузерной версии веб-инструмента (www.air-home.de) с помощью встроенного интерфейса LAN.
- Стандартное USB-соединение для ввода в эксплуатацию, обновления для управления и обслуживания.
- Все приборы оснащены высокоэффективными вентиляторами с технологией EC.
- встроенное/автоматическое регулирование постоянства объемного расхода обеспечивает постоянное соблюдение заданного объемного расхода во всех рабочих условиях (например, загрязнение фильтра, установки воздушного клапана). Это также упрощает ввод в эксплуатацию / измерение объема воздуха на клапанах.
- Встроенный комбинированный датчик (влажности/температуры) в стандартной комплектации обеспечивает работу системы вентиляции с учетом текущих потребностей и интеллектуальную стратегию защиты от замерзания и осушения (защита от переувлажнения) в вытяжном воздухе.
- Все приборы также отличаются стратегией защиты от замораживания, адаптированной с учетом реальных потребностей.
- Доступны два входных контакта (12 и 230 В), например, для отключения/выключения с точки зрения технической безопасности.
- Разные входы/выходы позволяют подключать контроллер к другим инженерным системам здания, например, тепловому насосу.
- Встроенный интерфейс MODBUS (TCP/IP и RTU) для интеграции в инженерные системы здания.
- Опциональный сменный модуль K-SM обеспечивает интеграцию в системы здания KNX.
- Опциональный сменный модуль E-SM обеспечивает интеграцию в системы EnOcean.
- Опциональные дополнительные платы ZP 1 и ZP 2 для поддержки расширенных функций, таких как «регулирование постоянного давления» вентиляторов EC, зонирующий клапан, соляной геотермический теплообменник (регулируемый насос), измерение перепада давления на фильтре.
- Максимальная адаптивность устройства благодаря широкому спектру вариантов оборудования/присоединения.
- Современная модульная технология прибора обеспечивает простое дооснащение (например, предварительный нагрев, байпас) и удобство в обслуживании и ремонте.
Корпус
- Корпус из листовой стали с порошковым покрытием.
- Цвет: обычный белый, типа RAL 9016.
- Звукоизолированный корпус с дополнительной изоляцией для приборов с байпасом «B».
- Возможна удобная замена фильтра без инструментов.
- Открывающаяся крышка корпуса оснащена быстродействующими запорами.
- Плотный внутренний корпус без тепловых мостов из термостойкого, звуко- и теплоизоляционного материала EPP (средняя толщина стенки: 42 мм).
- Корпус из вспененного полипропилена с очень хорошими гигиеническими/негигроскопическими свойствами.
- Материал прошел испытания Института гигиены воздуха в соответствии со стандартом VDI 6022.
- В корпус из вспененного полипропилена встроена ванна для конденсата.
- Поверхность устройства и внутренний корпус устройства легко поддаются очистке.
- Отвод конденсата (шланговое соединение 3/4" или сливная труба Ø 28 мм) на днище прибора.
- Подключение к сифону.
Фильтр
- На приборах WS 170 R/L и WS 170 RET/LET в вытяжном и наружном воздухе применяются фильтры ISO Coarse 80 % (G4).
- На приборах WS 170 KR/KL, WS 170 KRET/KLET, WS 170 KBR/KBL, WS 170 KBRET/KBLET ISO в вытяжном воздухе применяется фильтр Coarse 80 % (G4), а в наружном воздухе фильтр пыльцы ISO ePM1 55 % (F7).
- Опциональный каскад фильтров (ISO Coarse 80 % (G4) / ISO ePM1 55 % (F7)) в наружном воздухе может увеличить срок службы фильтра.
- Замена фильтра без инструментов.
Управление
- Готов к эксплуатации, с включателем/выключателем.
- В комплект поставки входит пульт управления RLS 1 WR, четыре ступени вентиляции, индикатор замены фильтра, индикатор неисправностей.
- Возможно параллельное подключение дополнительных пультов управления.
- Мобильное управление в ПРИЛОЖЕНИИ (air@home) или браузерной версии веб-инструмента (www.air-home.de) с помощью смартфона, ноутбука или ПК обеспечивает, например,
- отчеты в реальном времени, управление пользователями
- Автоматический режим с учетом текущих потребностей / автоматический режим с управлением по времени
- Ручной режим / ВЫКЛ
- Экологический режим приточного воздуха или экологический режим вытяжного воздуха
- Запрос состояния фильтра, сообщения об ошибках
- Опциональный сенсорный пульт управления RLS T2 WS для установки следующего:
- 2 автоматических режима (по датчику / по времени)
- 4 ручных рабочих режима (ECO для вытяжного воздуха / ECO для приточного воздуха / РУЧНОЙ / ВЫКЛ.)
- возможен полный ввод в эксплуатацию рекуператоров.
- Опциональный дизайнерский пульт управления RLS G1 WS:
- ВКЛ./ВЫКЛ.
- 5 ступеней
- Автоматический режим работы
- Приточный воздух ECO, вытяжной воздух ECO
- Индикатор замены фильтра и неисправности
- USB-разъем для обслуживания / ввода в эксплуатацию — бесплатное ПО MAICO для ввода в эксплуатацию.
- Сетевое подключение через встроенный интерфейс LAN.
- Совместимость с системой «умный дом» (например, Loxone, через протокол Modbus TCP/IP).
- Интеграция с протоколом Modbus TCP/IP и RTU в стандартном исполнении.
- Опциональный сменный модуль KNX K-SM для интеграции в инженерные системы здания www.knx.org.
- Опциональный сменный модуль EnOcean E-SM для подключения вентиляционного прибора к "миру EnOcean" www.enocean-alliance.org.
Блок управления
- Регулирование объемного расхода с учетом потребности в серийном исполнении («решающее значение влажности»).
- Плавная корректировка объемного расхода по потребности.
- Встроенная функция защиты от переувлажнения.
- 3 датчика температуры наружного, вытяжного и приточного воздуха.
- 1 комбинированный датчик (температура и влажность) в патрубке для вытяжного воздуха.
- Можно подключить до четырех внешних датчиков разных типов (углекислого газа, летучих органических соединений, влажности).
- Входы для безопасного отключения через контакт 12 В или 230 В (например, пожарный оповещатель, пожарная сигнализация, камин без перепада давления).
- Дополнительный кнопочный вход для включения ограниченной по времени интенсивной (форсированной) вентиляции.
- Возможность расширения с помощью опциональной дополнительной платы ZP 1 для управления:
- 3-ходовая заслонка (например, воздушный геотермический теплообменник)
- регулируемый насос (например, соляной геотермический теплообменник)
- воздушная заслонка в системе зональной регулировки
- коммутационный контакт для внешнего калорифера последующего нагрева
- Возможность расширения с помощью опциональной дополнительной платы ZP 2 для:
- постоянства давления вентиляторов ЕС
- контроля фильтра с контролем перепада давления
- Разные входы и выходы позволяют подключать пульт управления вентиляционного прибора к другим инженерным приборам, например, тепловому насосу.
Допуски и сертификаты
- Разрешение DiBt: все приборы WS 170 (исключение: WS 170 .. Вариант ET).
- Сертификат PHI: WS 170 KR, WS 170 KL, WS 170 KBR; WS 170 KBL.
- Протокол испытаний согласно стандарту DIN EN 13141-7.
- Сертификат швейцарской организации energie-cluster.ch.
- Санитарно-эпидемиологическое заключение на материал корпуса (EPP) и теплообменника.
- Регистрация в бюллетене TZWL.
Теплообменник/рекуперация тепла
- Высокоэффективный перекрестный противоточный теплообменник из пластмассы (PS).
- Рекуперация тепла до 95 процентов.
- Рекуперация влаги до 66 % (приборы ET).
- Санитарно-эпидемиологическое заключение (отсутствие бактерий, роста/передачи вирусов) согласно стандарту VDI 6022, лист 1.
- Теплообменник с антимикробной защитой можно мыть водой.
- Приборы с энтальпийными теплообменниками не требуют подсоединения слива конденсата.
Байпас
- Присутствует в вариантах устройства "B".
- Запатентованный автоматический 100% байпас для пассивного охлаждения ночью в летний период с регулируемым ограничителем минимальной температуры приточного воздуха.
Защита от замораживания
- Предотвращение замораживания теплообменника при низких температурах.
- Высокоэффективная функция защиты от замораживания в исполнении "K" с помощью регулируемого по потребности электрического калорифера предварительного нагрева PTC с модуляцией мощности.
- А для других исполнений, кроме "K", — с помощью отключения приточного вентиляторного блока.
- Рекомендация: другие исполнения, кроме "К", целесообразно комбинировать с рекуперацией тепла с помощью соляного теплообменника.
Вентиляторы
- Центробежные вентиляторы с загнутыми вперед лопатками для удаляемого или наружного воздуха.
- Энергоэффективные двигатели ЕС постоянного тока со встроенным регулятором постоянства объемного расхода.
- Возможность контроля постоянства давления благодаря опциональной дополнительной плате ZP 2.
- Четыре ступени вентиляции для плавной настройки в диапазоне от 40 до 160 м³/ч.
Инструкции по монтажу
- В объем поставки включен стенной держатель, что обеспечивает удобный и очень быстрый монтаж.
- Крышка корпуса легко снимается благодаря удобным магнитным запорам.
- Предусмотреть установку шумоглушителей со стороны притока и вытяжки.
- Примечание: Приборы всех вариантов (например, "К") можно после установки переоборудовать с помощью опциональных компонентов, получив приборы других вариантов (например, "KRET").






