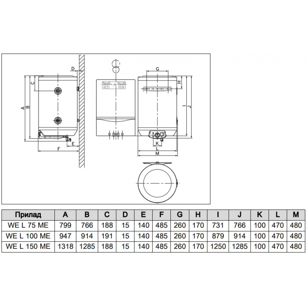
Навесные емкостные водонагреватели Protherm WEL 100/2 ME - для работы с двухконтурным котлом предназначены для эффективного нагрева и хранения горячей воды с номинальным объемом 100 и 150 литров. Эти устройства подходят для использования в системах горячего водоснабжения и могут быть установлены в непосредственной близости от котла, что позволяет сэкономить пространство.
Основные характеристики:
- Объем и производительность: Водонагреватели способны обеспечить до 95 литра горячей воды в течение 10 минут. Номинальный объем составляет 100 и 150 литров, что позволяет выбрать оптимальную модель в зависимости от потребностей.
- Модель WEL 150 ME оснащена теплоизоляцией класса «B», а модель WEL 100 ME – класса «C», что способствует эффективному сохранению тепла.
- Водонагреватели оснащены магниевым анодом, который защищает внутренние поверхности от коррозии. В качестве опции доступен универсальный анод с электропитанием, обеспечивающий дополнительную защиту.
- Встроенный электрический нагреватель: Устройства оснащены встроенным электрическим нагревателем, который может использоваться для резервного или дополнительного нагрева воды.
- Максимальное давление: Водонагреватели рассчитаны на максимальное давление санитарной воды до 8 бар.
Возможности установки:
- Комбинация с котлами: Водонагреватели могут сочетаться с двухконтурными котлами Protherm, а также с котлами других производителей. При этом обеспечивается быстрая интеграция с системой управления горячим водоснабжением (ГВС).
- Настенный и напольный монтаж: Устройства можно устанавливать навесным способом вплотную к котлу, а также использовать подставку для напольного монтажа (опция).
- Компактный дизайн Компактные габариты позволяют устанавливать водонагреватели в помещениях с ограниченным пространством.
- Фронтальный регулятор: Устройства оснащены фронтальным регулятором, обеспечивающим удобный доступ для управления параметрами нагрева.
Функции:
- Защита от коррозии: Резервуар водонагревателя защищен от коррозии благодаря покрытию эмалью и магниевому защитному аноду. Опционально доступен универсальный анод с электропитанием.
- Дополнительный нагрев: Встроенный электрический нагреватель обеспечивает возможность резервного или дополнительного нагрева воды, что особенно полезно в случае повышенного потребления или недостаточного тепла от основного котла.
Эти водонагреватели являются надежными и удобными в использовании, обеспечивая стабильное горячее водоснабжение и долговечность благодаря качественной защите от коррозии и продуманному дизайну.



