Качественный воздух во всех помещениях
Центробежные вытяжные вентиляторы MAICO серии ER – идеальное решение для вентиляции жилых многоквартирных домов. Они надёжно отводят влагу и отработанный воздух из ванных и туалетных комнат. Получили 3 награды за элегантный дизайн. Необходимый объём свежего воздуха возмещают приточные элементы MAICO серии ALD. Полностью соответствуют стандарту организации воздухообмена в жилых зданиях DIN 1946-6. Плоская крышка вентилятора органично вписывается в любой интерьер.
- Замедление включения около 50 секунд – вентилятор включается не сразу, а когда это действительно необходимо, уже после образования пара, влаги или запахов в помещении.
- Время выбега около 15 минут – вентилятор постепенно увеличивает скорость вращения от минимальной до максимальной. Благодаря этой функции уменьшается износ оборудования и как следствие увеличивается продолжительность его службы. Задаётся во время пуско-наладки или самостоятельно пользователем.
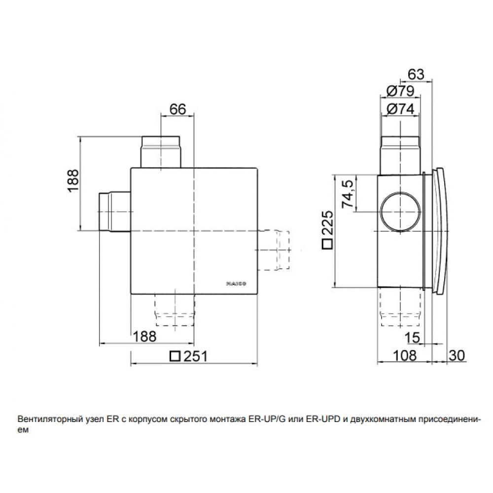
- Для вытяжной вентиляции одного или двух помещений с помощью одного вентилятора.
- Вентилятор с крышкой и фильтром G2 для установки в корпус скрытого монтажа.
- Очень тихая работа.
- Нерегулируемая скорость вращения.
- Штекерное электрическое соединение для быстрого монтажа вентилятора в корпусе.
- Легкая замена фильтра без инструментов.
- Крышка поворачивается на ± 5°, благодаря чему можно выровнять установленный корпус.
- Удобное для монтажа защелкивающееся крепление вентилятора в корпусе.
- Все приборы MAICO ER имеют степень защиты IP X5 и могут устанавливаться в зоне 1 согласно DIN VDE 0100-701, а также в зоне, где образуются струи воды.
- Класс защиты II.
- Надежный, экономящий энергию конденсаторный двигатель.
- Двигатель с термической защитой от перегрузки.
- Не требует обслуживания, с закрытыми с двух сторон подшипниками.







