Поверхностный насос GRUNDFOS JPA 4-54 – это современное решение для надежного водоснабжения в бытовых условиях. Насос предназначен для перекачки чистых жидкостей без жестких или волокнистых примесей и имеет широкий спектр применения как в частных хозяйствах, так и на дачах.
Основные сферы применения:
-
водоснабжение частных домов и коттеджей;
-
полив садов, газонов и городов;
-
перекачка воды из открытых водоемов или неглубоких колодцев;
-
повышение давления в уже имеющихся системах водоснабжения;
-
автоматические системы полива.
Особенности и преимущества:
-
Встроенный эжектор значительно улучшает всасывающие свойства насоса, обеспечивая стабильную подачу воды даже с небольшим уровнем всасывания;
-
Центробежная моноблочная конструкция гарантирует надежность, компактность и простоту в обслуживании;
-
Высокая производительность и эффективность при небольших энергозатратах;
-
Изготовлен из качественных антикоррозионных материалов , что продлевает срок службы агрегата.
GRUNDFOS JPA 4-54 – это оптимальный выбор для ищущих мощный, долговечный и энергоэффективный насос для повседневных потребностей в водоснабжении.
Характеристика:
Жидкость:
- Рабочая жидкость: вода
- Диапазон температуры жидкости: 0 .. 35 °C
- Температура перекачиваемой жидкости: 20 °C
- Плотность: 998.2 кг/м³
Технические данные:
- Максимальный гидростатический нажим – 54 м
- Первичное уплотнение вала – CVBP
- Сертификаты – CE
- Допуск на рабочие характеристики ISO9906:2012 3B
- Выполнение насоса – A
- Модель – A
- Эжекторный клапан – нет
Материалы:
- Корпус насоса – чугун EN 1561 EN-GJL-200
- Рабочее колесо – композит
- Код материала – A
Монтаж:
- Диапазон температуры окружающей среды: -10 .. 40 °C
- Максимальное рабочее давление: 8 бар
- Максимально допустимое давление на входе: 3 бар
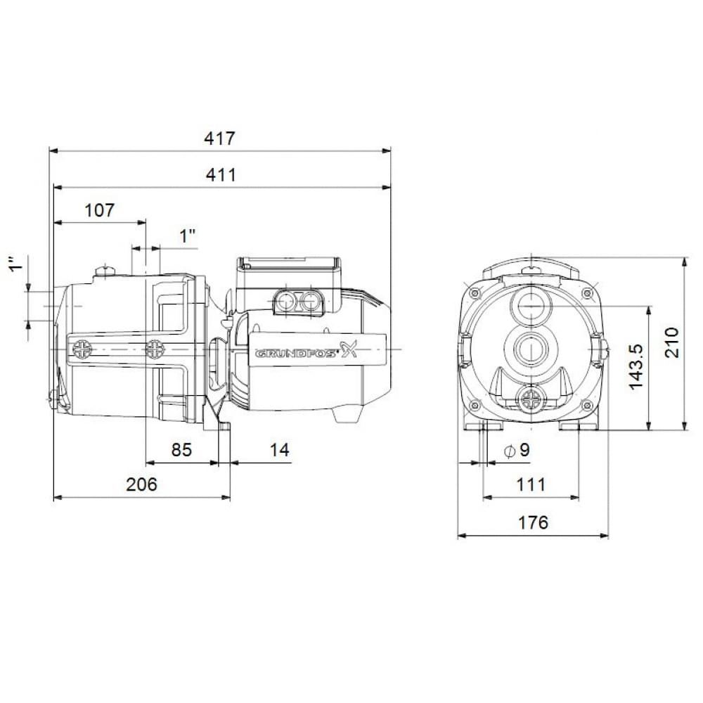
- Вход насоса – G1
- Выход насоса – G1
Данные электрооборудования:
- Мощность – P1: 1130 Вт
- Частота питающей сети: 50 Гц
- Номинальное напряжение: 1 x 220-240 В
- Номинальный ток: 5,1 A
- Размер конденсатора – работа: 16 мкФ/450 В
- Класс защиты (IEC 34-5) – IP44
- Класс изоляции (IEC 85) – F
- Тип кабельного вилки - NONE
- Кабель - N
Система управления:
- Прессконтроль – без блока управления
- Выключатель: включение/выключение выключателя не встроено

