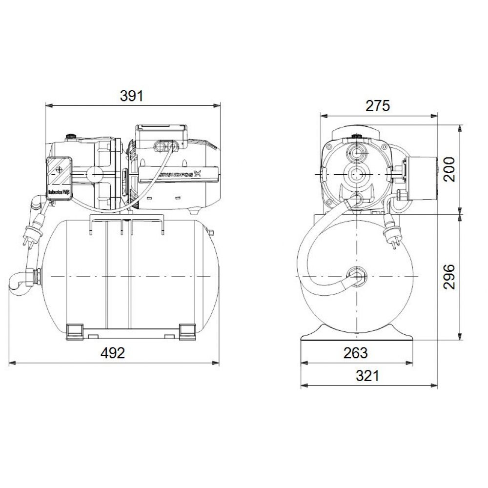
Насосные установки JPA состоят из напорного бака и самовсасывающего одноступенчатого центробежного насоса с чугунным корпусом. Данная насосная установка предназначена для широкого спектра садовых и бытовых применений, в том числе для водоснабжения частных домов.
JPA 4-47 PT-H AA-BBVP
Установка повышения давления JPA PT включает в себя один насос JPA, реле давления, манометр и мембранный бак. Реле давления автоматически запускает насос в зависимости от потребностей системы. Мембранный напорный бак обеспечивает контролируемое давление в системе водоснабжения и таким образом ограничивает циклы повторно-кратковременного включения при незначительном водозаборе или утечках в системе. Кроме того, мембранный бак повышает удобство работы с системой благодаря компенсации падения давления при открытии крана в точке водоразбора, что в итоге повышает защиту трубопроводной системы от гидроудара.
Характеристика:
Жидкость:
- Рабочая жидкость: вода
- Диапазон температуры жидкости: 0 .. 35 °C
- Температура перекачиваемой жидкости: 20 °C
- Плотность: 998.2 кг/м³
Технические данные:
- Максимальный гидростатический нажим – 47 м
- Первичное уплотнение вала – BBVP
- Сертификаты – CE
- Допуск на рабочие характеристики ISO9906:2012 3B
- Выполнение насоса – A
- Модель – A
Материалы:
- Корпус насоса – чугун EN 1561 EN-GJL-200
- Рабочее колесо – композит
- Код материала – A
Монтаж:
- Диапазон температуры окружающей среды: -10 .. 40 °C
- Максимальное рабочее давление: 8 бар
- Вход насоса – G1
- Выход насоса – G1
Данные электрооборудования:
- Мощность – P1: 850 Вт
- Частота питающей сети: 50 Гц
- Номинальное напряжение: 1 x 220-240 В
- Номинальный ток: 3.8 A
- Размер конденсатора – работа: 12 мкФ/450 В
- Класс защиты (IEC 34-5) – IP44
- Класс изоляции (IEC 85) – F
- Тип кабельного вилки - SCHUKO
- Длина кабеля – 2 м
Резервуар:
- Объем бака: 20 л.




