Описание насоса DAB FEKA 300 MA 40th 220-240/50 10H05 (60198016H) :
Если вы ищете надежный и простой в использовании бытовой насос, то DAB FEKA 300 MA станет вашим верным помощником. Этот погружной насос специально разработан для работы с дождевой и сточной водой даже с примесями, листьями или мелкой грязью.
Насос идеально подходит для осушения затопленных подвалов, погребов или гаражей, а также может быть установлен в колодец для автоматического слива воды. Благодаря встроенному поплавковому выключателю, он самостоятельно включается, когда вода поднимается до заданного уровня. Компактный, эргономичный и обновленный к 40-летию модели – он выглядит современно и работает еще эффективнее.
Водостойкий технополимерный корпус насоса, крышка и всасывающая решетка трубы. Двигатели из нержавеющей стали, вал ротора, болты и винты. Уплотнение состоит из 3 частей, включая внутренние кольца и масляную камеру.
Особенности устройства двигателя:
- Асинхронный двигатель погружного типа, непрерывные действия.
- Статор находится в герметичном кожухе из нержавеющей стали с наружным покрытием, которое защищает кабели и конденсатор.
- Ротор, работающий на шариковых подшипниках увеличенного размера, не требующих регулярной смазки, для снижения уровня шума и увеличения продолжительности работы.
- Стандартная интегрированная термоамперометрическая защита.
- Конденсатор стационарно установлен на однофазных моделях.
- Стандартное напряжение: однофазное 220-240 В/50 Гц.
- Стандартные кабели однофазной модели: 10 м H05 RN-F.
- Стандартный штепсель для однофазной модели: SCHUKO CEE 7-VII-UNEL 47166-68.
Что умеет этот насос:
- Рабочий диапазон: от 1 м³/ч до 16 м³/ч
- Поднимает жидкость на высоту до 7,5м.
- Перекачиваемая жидкость: прозрачная, дождевая вода и сточные воды. Перекачивание воды с частицами до 25 мм.
- Может работать на глубине до 7м.
- Температура жидкости от +0 до +35°C для домашнего использования.
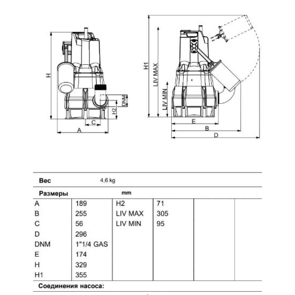
- Выход: 1″ 1/4 ГАЗ.
- Направление выхода: Горизонтальное или вертикальное.
- Крыльчатка: Vortex из технополимера.
- Степень защиты двигателя: IP 68
- Тепловая классификация изоляции двигателя: F
- Возможен тип монтажа: стационарный или мобильный в вертикальном положении
Удобно, надежно и безопасно – 10-метровый кабель позволяет подключать насос прямо на улице, а благодаря автоматическому режиму вам не придется следить за уровнем воды ежеминутно.
Подходит для:
-
частных домов и дач
-
аварийной осушки помещений
-
профилактической защиты от подтоплений
DAB FEKA 300 MA – это тот случай, когда бытовой насос становится профессиональным инструментом для вашего комфорта.





