Описание насоса DAB FEKA 300 MA 40th 220-240/50 05H05 (60191897H):
Если вы ищете надежный и простой в использовании насос для бытовых нужд, то DAB FEKA 300 MA станет вашим верным помощником. Этот погружной насос специально разработан для работы с дождевой и сточной водой даже с примесями, листьями или мелкой грязью.
Насос идеально подходит для осушения затопленных подвалов, погребов или гаражей, а также может быть установлен в колодец для автоматического слива воды во время ливней. Благодаря встроенному поплавковому выключателю, он самостоятельно включается, когда вода поднимается до заданного уровня. Компактный, эргономичный и обновленный к 40-летию модели – он выглядит современно и работает еще эффективнее.
Водостойкий технополимерный корпус насоса, крышка и решетка всасывающей трубы. Двигатели из нержавеющей стали, вал ротора, болты и винты. Уплотнение, состоящее из 3 частей, включая внутренние кольца и масляную камеру.
Особенности устройства двигателя:
- Асинхронный мотор погружного типа, непрерывного деяния.
- Статор находится в герметичном кожухе из нержавеющей стали с внешним покрытием, которое защищает кабели и конденсатор.
- Ротор, работающий на шариковых подшипниках увеличенного размера, не требующих регулярной смазки, для снижения уровня шума и увеличения продолжительности работы.
- Стандартная интегрированная термо-амперометрическая защита.
- Конденсатор, стационарно установленный на однофазовых моделях.
- Стандартное напряжение: однофазный 220–240 В/50 Гц.
- Стандартные кабели для однофазной модели: 5 м H05 RN-F.
- Стандартный штепсель для однофазной модели: SCHUKO CEE 7 – VII – UNEL 47166-68.
Что умеет этот насос:
- Рабочий диапазон: от 1 м³/ч до 16 м³/ч
- Поднимает жидкость на высоту до 7,5 м.
- Перекачиваемая жидкость: прозрачная, дождевая вода и сточные воды. Перекачивает воду с частицами до 25 мм.
- Может работать на глубине до 7 м.
- Температура жидкости: от +0 до +35°C для домашнего использования.
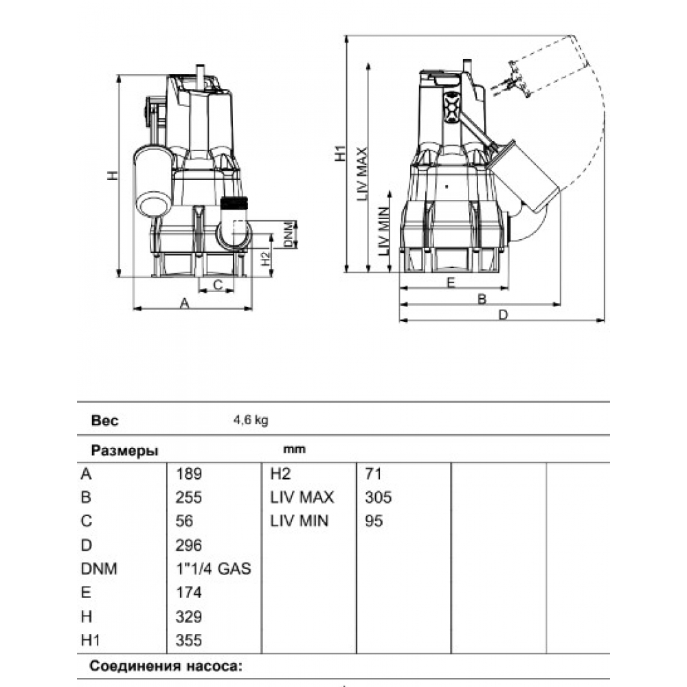
- Выход: 1″ 1/4 ГАЗ.
- Направление выхода: Горизонтальное или вертикальное.
- Крыльчатка: Vortex из технополимера.
- Степень защиты двигателя: IP 68.
- Тепловая классификация изоляции двигателя: F
- Возможен тип монтажа: стационарный или мобильный в вертикальном положении
Удобно, надежно и безопасно – 5-метровый кабель позволяет подключать насос прямо на улице, а благодаря автоматическому режиму вам не придется следить за уровнем воды ежеминутно.
Подходит для:
-
частных домов и дач
-
аварийной осушки помещений
-
профилактической защиты от подтоплений
DAB FEKA 300 MA – это тот случай, когда бытовой насос становится профессиональным инструментом для вашего комфорта.





