Высокоэффективный насос Wilo Yonos MAXO 30/0,5-7 (2120642) с электронным управлением.
Циркуляционный насос с мокрым ротором, синхронный двигатель в соответствии с ECM-технологией и интегрированный электронный блок регулировки мощности для плавной регулировки перепада давления. Возможность применения для всех систем отопления, вентиляции, кондиционирования.
Серийно из:
- На выбор способы регулирования для оптимального подбора нагрузки: Δp-c (перепад давления постоянный), Δp-v (перепад давления переменный)
- 3 степени числа оборотов (n = постоянное)
- Светодиодная индикация для настройки заданного значения и индикации сообщены об ошибках
- Электрическое подключение с коннектором Wilo
- Световая сигнализация о неисправности и контакт для общей сигнализации о неисправности
Для насосов с фланцевым соединением - фланцевое исполнение:
- Стандартное исполнение для насосов DN 32 – DN 65: Комбинированный фланец PN 6/10 (фланец PN 16 в соответствии с EN 1092-2) для встречных фланцев PN 6 и PN 16
- Стандартное исполнение для насосов DN 80/DN 100: фланец PN 6 (рассчитан PN 16 в соответствии с EN 1092-2) для встречного фланца PN 6.
Эксплуатационные данные:
- Максимальное рабочее давление PN – 10 бар.
- Высота подачи H max – 7,5м.
- Подача Q max – 8,1 м³/час.
- Минимальная температура среды T min: -20 °C.
- Максимальная температура среды Tmax : 110 °C.
- Минимальная температура окружающей среды T min: -20 °C.
- Макс. температура окружающей среды Tmax : 40 °C.
- Минимальная высота притока при 50 °C: 3 м.
- Минимальная высота притока при 95 °C: 10 м.
- Минимальная высота притока при 110 °C: 16 м.
Данные двигателя:
- Индекс энергетической эффективности (EEI) – ≤0,20.
- Подключение к сети: 1~230 В ±10%, 50/60 Гц.
- Номинальный ток I N: 0,08А.
- Номинальный ток I N: 1,0А.
- Номинальная мощность Р2: 85 Вт.
- Минимальное число оборотов n min: 1000 об/мин.
- Максимальное число оборотов n max: 3700 об/мин.
- Потребляемая мощность (мин.) P 1 min: 5 Вт.
- Потребляемая мощность P 1 max: 120 Вт.
- Излучение помех: EN 61800-3;2004+A1;2012/жилые помещения (C1).
- Устойчивость к помехам: EN 61800-3;2004+A1;2012/промышленные помещения (C2).
- Класс изоляции – F.
- Класс защиты – IPX4D.
- Кабельное резьбовое соединение – 2 x M20x1.5.
Материалы:
- Корпус насоса – серый чугун.
- Рабочее колесо – PPE/PS-GF30.
- Вал – нержавеющая сталь.
- Материал подшипника – графит.
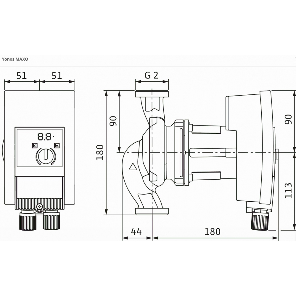
Монтажные размеры:
- Со всасывающей стороны – G 2 .
- Подключение к трубопроводу с напорной стороны – G 2 .
- Монтажная длина L0 – 180 мм.





