Grundfos UPA 15-120 – это бытовой насос, предназначенный для повышения давления питьевой воды, подаваемой из внешнего источника в жилые дома. Насосы UPA повышают давление воды, чтобы создать необходимое давление в душевых кабинах, кранах и других водоразборных точках.
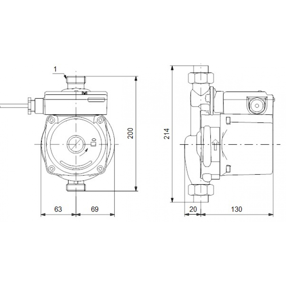
Этот насос имеет диаметр подключения на входе и выходе 1″. Номинальное давление насоса составляет PN 10, а длина между портами – 200 мм. UPA 15-120 обеспечивает комфорт постоянного давления воды с автоматическим запуском и остановкой. Это контролируется встроенным реле расхода, что обеспечивает оптимальный запуск/остановку насоса повышения давления в соответствии с требованиями. Надежная конструкция изготовлена из материалов, не поддающихся коррозии, и чугунного корпуса насоса с катафорезным покрытием, что обеспечивает длительный срок службы. Это насос с герметичным ротором, где насос и двигатель образуют единый блок без уплотнения вала. Насос всегда должен быть установлен с горизонтальным валом двигателя. UPA имеет 2-полюсный асинхронный двигатель с короткозамкнутым ротором с тепловой защитой. Подшипники смазываются перекачиваемой жидкостью. Эти конструктивные особенности обеспечивают работу без обслуживания. Насос отвечает следующим директивам: CE, WEEE-UPA, MORO.
- Встроенное реле расхода: автоматический запуск и остановка в соответствии с требованиями
- Низкий уровень шума
- Легкая установка: «включай и работай»
- Встроенный обратный клапан
- Улучшенная стойкость к коррозии
- Встроенная защита двигателя
Технические данные.
- Количество скоростей – 1
- Номинальный расход – 1.33 м³/час.
- Номинальный напор – 8.138 м
- Максимальный гидростатический напор – 120 дм.
- TF-класс – 95
- Сертификаты – CE, WEEE-UPA, MORO
Материалы.
- Корпус насоса – чугун: EN 1561 EN-GJL-150
- Рабочее колесо – композит PP-GF30
Монтаж.
- Диапазон температуры окружающей среды: 0 .. 40 °C
- Максимальное рабочее давление – 10 бар
- Тип соединения – G
- Д-р соединения –1 ″
- Номинальное давление подключения – PN 6/10
- Монтажная длина – 200 мм
Жидкость.
- Рабочая жидкость – вода
- Диапазон температуры жидкости: -2 .. 95 °C
- Температура перекачиваемой жидкости: 60 °C
- Плотность – 983.2 кг/м³
Данные электрооборудования.
- Максимальная потребляемая мощность – 200 Вт.
- Частота сети питания – 50/60 Гц
- Номинальное напряжение – 1 x 230 В
- Минимальное потребление тока – 0.31 A
- Максимальное потребление тока – 0,89 A
- Размер конденсатора – работа – 6 мкФ
- Разъем электропитания – Вилка «Schuko»
- Класс защиты (IEC 34-5) – X2D
- Класс изоляции (IEC 85) – F




