Высокоэффективные насосы Grundfos Comfort 15-14 BDT PM (99812350) – это энергоэффективный насос для систем горячего водоснабжения, предназначенный для одно- и двухквартирных домов. Насос имеет дополнительную функцию таймера, позволяющую экономить энергию, не сбавляя комфорт, обеспечивая мгновенную подачу горячей воды ко всем кранам. Насосы имеют коррозионностойкий корпус насоса, пригодный для питьевой воды, и питаются от высокоэффективного однофазного двигателя с ротором с постоянным магнитом. Встроенный цифровой таймер разработан для рециркуляции горячей воды в бытовых системах с баками горячей воды или пластинчатыми теплообменниками для производства горячей воды. Таймер позволяет настроить рабочие периоды насоса, обеспечивая оптимальный комфорт и одновременное понижение энергетических затрат. Кроме того, насос можно настроить на непрерывную работу на 100% для ввода в эксплуатацию насоса или горячей воды быстрого приготовления в течение 24 часов. COMFORT BXDT PM имеет встроенный изолирующий клапан и обратный клапан (фитинг). Это гарантирует, что техническое обслуживание может производиться без слива системы. Обратный клапан также предотвращает обратный поток во время работы.
Материалы:
- Корпус насоса – латунь CuZn39Pb3, MS58
- Рабочее колесо – композит PPO-GF20/Нержавеющая сталь.
Монтаж.
- Минимальная температура окружающей среды: 0 °C
- Максимальное рабочее давление: 10 бар
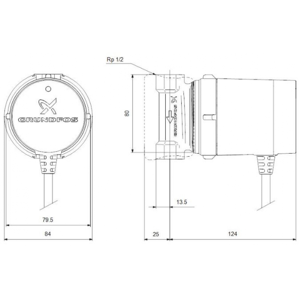
- Стандарт соединения труб – ISO 228-1
- Тип соединения: Rp
- Д-р подключения: 1/2″
- Номинальное давление: PN 10
- Длина длины: 80 мм
Жидкость.
- Рабочая жидкость – вода.
- Диапазон температуры воды: 2-95 °C.
- Температура перекачиваемой воды: 60 °C.
- Плотность: 983.2 кг/м³.
Данные электрооборудования.
- Максимальная потребляемая мощность: 7 Вт.
- Частота питающей сети: 50/60 Гц.
- Номинальное напряжение: 1 x 230 В.
- Потребление тока: 0.07 A.
- Класс защиты (IEC 34-5) – IP44.
- Класс изоляции (IEC 85) – F.
- Тепловая защита – сопротивление защите.
Система управления.
Режим работы включает – таймер.







