Grundfos Alpha2 25-40 N 130 (99411272) – высокоэффективные циркуляционные насосы Grundfos ALPHA2 предназначены для циркуляции жидкостей в системах отопления. Вариант ALPHA2 из нержавеющей стали подходит, к примеру, бытовые системы горячего водоснабжения. Имея индекс энергоэффективности (EEI), значительно ниже показателя ErP, он обеспечивает значительную экономию энергии.
Функция AUTOADAPT постоянно адаптирует производительность насоса к фактической потребности в тепле, то есть размеру системы и переменным потребностям в тепле в течение года. Функция AUTOADAPT находит установку, которая обеспечивает оптимальный комфорт при минимальном потреблении энергии и делает ввод в эксплуатацию быстрым, безопасным и простым. ALPHA2 также предлагает режимы управления пропорциональным давлением, постоянным давлением и постоянной кривой.
Благодаря функции автоматического ночного понижения насос автоматически переключается меж обычным режимом работы и ночным понижением. Переключение зависит от температуры подающей трубы, регулируемой отопительным прибором. В ручном летнем режиме насос не работает, но автоматически запускается с низкой скоростью во избежание блокировки ротора, а также обратных клапанов.
Режимы и функции управления выбираются с помощью кнопок на экране. Светодиоды указывают рабочее состояние, фактическое потребление энергии в ваттах или фактическую скорость потока в м³/ч, а также предупреждение и тревогу.
Кроме того, ALPHA2 совместим с ALPHA Reader и приложением Grundfos GO Balance, что позволяет монтажникам выполнить легкую балансировку радиаторных и напольных систем отопления.
Конструкция и выбранные насосные материалы способствуют долгой работе. Насос самовентилируется через систему, что способствует легкому вводу в эксплуатацию. Компактная конструкция насоса с встроенной коробкой управления вписывается в большинство распространенных установок. Насос и двигатель образуют цельную единицу без уплотнения вала. Подшипники смазываются перекачиваемой жидкостью. Эти конструктивные особенности обеспечивают эксплуатацию, не требующую обслуживания.
Функция активной защиты от сухого хода защищает от сухого хода насос при запуске и нормальной работе. В случае заблокированного ротора насос будет постоянно пытаться перезапустить с максимально возможным крутящим моментом.
Двигатель – это синхронный двигатель с постоянным магнитом/компактным статором, характеризующийся высокой эффективностью. Скорость насоса регулируется интегрированным преобразователем частоты, интегрированным в блок управления.
Изоляционные оболочки снабжаются насосами для минимизации потерь тепла в системах отопления.
Материалы:
- Корпус насоса – нержавеющая сталь EN 1.4308., ASTM A351-CF8
- Рабочее колесо – композит PES 30% GF + PESU-GF20%
Монтаж.
- Диапазон температуры окружающей среды: 0 .. 40 °C
- Максимальное рабочее давление: 10 бар
- Тип соединения: G
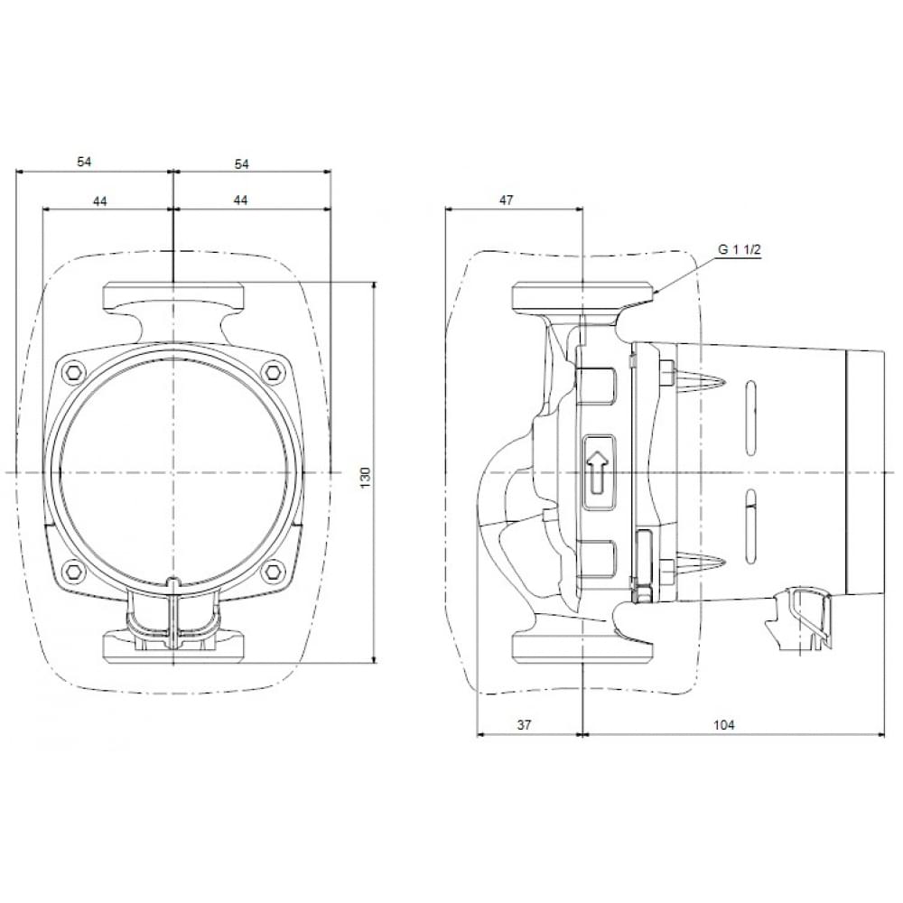
- Д-р подключения: 1 1/2″
- Номинальное давление: PN 10
- Длина длины: 130 мм
Жидкость.
- Рабочая жидкость – вода.
- Диапазон температуры жидкости: 0…110 °C.
- Температура перекачиваемой жидкости: 60 °C.
- Плотность: 983.2 кг/м³.
Данные электрооборудования.
- Минимальная потребляемая мощность – Р1: 3 Вт.
- Мощность P1: 18 Вт.
- Частота питающей сети: 50/60 Гц.
- Номинальное напряжение: 1 x 230 В.
- Наибольшее потребление тока: 0.04. 0.18 A.
- Класс защиты (IEC 34-5) – X4D.
- Класс изоляции (IEC 85) – F.
- Тепловая защита – ELEC
Система управления.
Автоматический ночной режим эксплуатации – встроенная автоматическая функция понижения рабочей точки в ночное время.




