Grundfos Alpha2 25-40 130 (99411143) – циркуляционный насос с "мокрым" ротором для перекачки жидкости в бытовых системах отопления и кондиционирования воздуха. Благодаря высокому индексу энергоэффективности (EEI), значительно опережающему действующие нормы ErP, насос позволяет существенно снизить потребление электроэнергии.
Характеристики:
- Непревзойденная энергоэффективность – индекс энергоэффективности (EEI), значительно опережающий действующие норм директивы ErP, позволяющий существенно снизить потребление электроэнергии.
- С помощью функции гидравлической балансировки путем временного использования ALPHA Reader и приложения Grundfos GO Balance монтажники могут быстро и легко выполнять гидравлическую балансировку системы.
- Функция AUTOADAPT обеспечивает максимальный комфорт при минимальном энергопотреблении, а также делает процесс пусконаладки безопасным и простым.
- Функция ночного режима позволяет экономить энергию.
- Интуитивно понятное управление – любой нужный режим управления можно выбрать нажатием всего одной кнопки.
- Нет необходимости в наружной защите электродвигателя, что сокращает время монтажа.
- Выполнение с герметичным ротором и использование крепких компонентов устраняют необходимость в техническом обслуживании.
- Прямой штекер ALPHA и угловой штекер ALPHA (изгиб 90° влево) (оба штекера входят в комплект поставки насоса) позволяют выполнить электромонтаж быстро и легко.
- Насосы поставляются с теплоизоляционными кожухами, что минимизирует тепловые потери в системах отопления.
Временно используя насос ALPHA2 с модулем связи ALPHA Reader MI401 и приложением Grundfos GO Balance, можно легко и быстро производить балансировку систем отопления, включающих радиаторы и (или) систему "теплый пол". Функция AUTOADAPT автоматически непрерывно регулирует производительность насоса в соответствии с фактической потребностью в тепле, то есть с учетом размера системы отопления и ее потребностей в разные сезоны. Функция AUTOADAPT найдет рабочую точку, при которой обеспечивается оптимальный уровень комфорта при минимальном энергопотреблении. Благодаря этой функции процесс пусконаладки становится быстрым, простым и безопасным.
Кроме того, у насоса есть три режима управления, каждый из которых имеет несколько видов:
- режим пропорциональной регулировки давления
- режим постоянного давления
- режим работы по постоянной кривой
На дисплее выводится фактическое энергопотребление в ваттах или фактический расход в м3/ч, а также аварийные сигналы и предупреждения. Светодиодные индикаторы показывают фактическое рабочее состояние.
Если включен ночной режим, частота вращения электродвигателя будет автоматически уменьшаться при падении температуры в системе, что позволяет экономить электроэнергию. Если активируется ручной летний режим, то насос будет регулярно автоматически запускаться с малой частотой вращения для защиты ротора от блокировки известковыми отложениями и эффективного использования энергии.
Насос выполнен в качестве насоса с герметичным ротором, то есть насос и двигатель составляют единый блок. В качестве смазки для подшипников используется перекачиваемая жидкость, что исключает необходимость в техническом обслуживании. Насос имеет защиту от "сухого" хода.
Все компоненты насоса – керамический вал и радиальные подшипники, углеродистый подшипник, защитная гильза ротора, подшипниковая пластина и корпус ротора из нержавеющей стали, рабочее колесо из композитного материала – обеспечивают долгий срок службы. Воздух из насоса удаляется автоматически, что упрощает пусконаладку.
Корпус и головная часть насоса выполнены из чугуна с гальваническим покрытием для улучшения антикоррозионных свойств. Это позволяет использовать насос для перекачки холодных жидкостей, например в системах охлаждения.
Используется высокоэффективный синхронный электродвигатель с ротором на постоянных магнитах/компактным статором. Частота вращения регулируется с помощью встроенного частотного преобразователя в шкафу управления. В комплект поставки насоса входит дополнительный угловой ALPHA-штекер (угол 90° влево), а также кабельная муфта и блок связи APLHA reader MI401.
Материалы:
- Корпус насоса – чугун. EN 1561 EN-GJL-150., ASTM A48М-150B
- Рабочее колесо – композит PES 30% GF + PESU-GF20%
Монтаж.
- Диапазон температуры окружающей среды: 0 .. 40 °C
- Максимальное рабочее давление: 10 бар
- Тип соединения: G
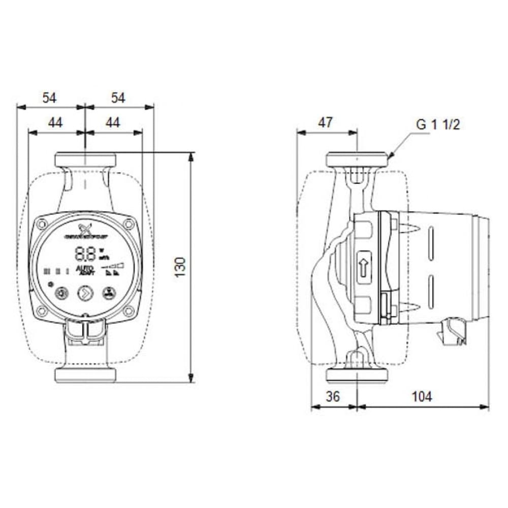
- Д-р подключения: 1 1/2″
- Номинальное давление: PN 10
- Длина длины: 130 мм
Жидкость.
- Рабочая жидкость – вода.
- Диапазон температуры жидкости: 2…110 °C.
- Температура перекачиваемой жидкости: 60 °C.
- Плотность: 983.2 кг/м³.
Данные электрооборудования.
- Минимальная потребляемая мощность – Р1: 3 Вт.
- Мощность P1: 18 Вт.
- Частота питающей сети: 50/60 Гц.
- Номинальное напряжение: 1 x 230 В.
- Наибольшее потребление тока: 0.04. 0.18 A.
- Класс защиты (IEC 34-5) – X4D.
- Класс изоляции (IEC 85) – F.
- Тепловая защита – ELEC
Система управления.
Автоматический ночной режим эксплуатации – встроенная автоматическая функция понижения рабочей точки в ночное время.




