Grundfos Alpha Solar 25-145 180 (98 989 297) – высокоэффективный циркуляционный насос, предназначенный для всех типов тепловых солнечных систем. Компактная конструкция подходит для большинства установок.
Скорость может регулироваться низковольтным PWM/ШИМ сигналом (широтно-импульсной модуляцией) от солнечного контроллера для оптимизации солнечного сбора и температуры системы.
Если сигнал ШИМ отсутствует, насос можно настроить на работу в режиме постоянной кривой с тремя разными настройками. Режимы управления и настройки можно легко выбрать на панели управления.
Насос и двигатель составляют цельную единицу. Подшипники смазываются перекачиваемой жидкостью, обеспечивая работу, не требующую технического обслуживания.
Насос имеет антиблокировочное устройство, доступное с передней части насоса.
Корпус насоса доступен как в чугунной, так и нержавеющей версии. Корпус насоса, изготовленный из чугуна, имеет электропокрытие, улучшающее коррозионную стойкость. Корпус насоса из нержавеющей стали идеально подходит для применения в системах ГВС.
Технические данные:
- Номинальный напор – 12,46 м.
- Максимальный напор – 14,5 м.
- Ориентация головки насоса – 9H.
- TF-класс – 110
- Сертификаты – CE, VDE, EAC.
- Модель – B.
Материалы:
- Корпус насоса – чугун. EN 1561 EN-GJL-150., ASTM A48-150B
- Рабочее колесо – композит PES 30% GF
Монтаж.
- Диапазон температуры окружающей среды: 2 .. 70 °C
- Максимальное рабочее давление: 10 бар
- Тип соединения: G
- Д-р подключения: 1 1/2″
- Номинальное давление: PN 10
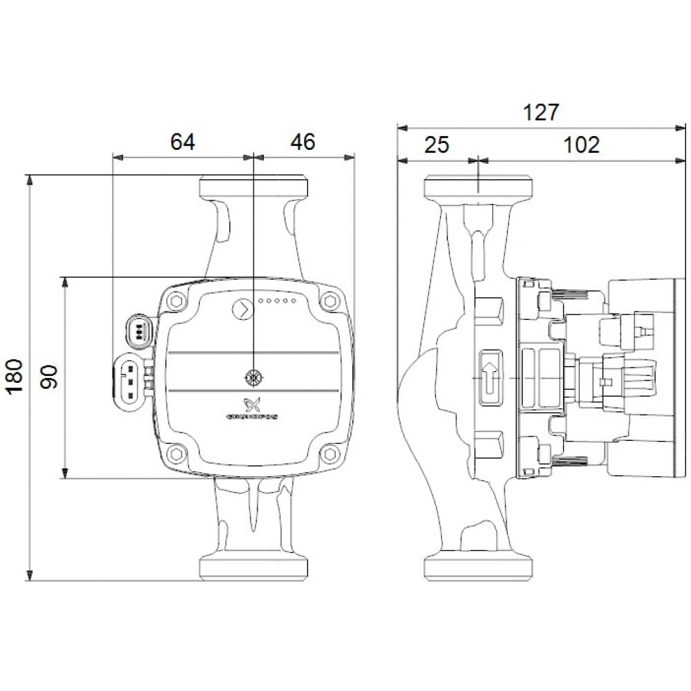
- Длина длины: 180 мм
Жидкость.
- Рабочая жидкость – вода.
- Диапазон температур жидкости: 2...110 °C.
- Температура перекачиваемой жидкости: 60 °C.
- Плотность: 983.2 кг/м³.
Данные электрооборудования.
- Минимальная потребляемая мощность – Р1: 2 Вт.
- Потребляемая мощность P1: 60 Вт.
- Частота питающей сети: 50/60 Гц.
- Номинальное напряжение: 1 x 230 В.
- Максимальное потребление тока: 0.04.. 0.58 A.
- Класс защиты (IEC 34-5) – X4D.
- Класс изоляции (IEC 85) – F.


